
執行器知識
閥門首頁 > 閥門知識 > 執行器知識 > 如何正確解決 電動執行器 的故障及解決辦法 電動執行器價格, 電動閥門 價格,電動閥價格,產品認證,廣受認可,供貨快,性能穩定,價格實惠...
閥門電動裝置 怎么調限位呢? 上海湖泉專業的銷售和技術服務團隊! 上海湖泉閥門有限公司 主營電動閥門執行器、智能型電動執行器、電...
閥門電動裝置 如何手動調法呢, 上海湖泉閥門 技術專家給你做詳細的指導說明 轉動手動時,需要切換手柄,當手動狀態變為電動時,手動...
角行程電動執行器說明書 角行程電動執行器 是電動執行器中的一種,主要是解決角行程閥門(如球閥,蝶閥,風門等)的驅動問題。角行...
一.指示燈故障 1. 故障現象: 給電動執行機通電后發現電源指示燈不亮,伺放板無反饋,給信號不動作。 故障判斷和檢修過程: 因電源指...
一、 閥門電動裝置 操作前的準備 1.1 操作閥門前,應認真閱讀操作說明。 1.2 操作前一定要清楚氣體的流向,應注意檢查閥門開閉標志。...
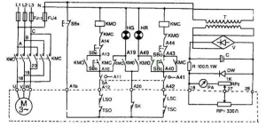
上海湖泉閥門有限公司 閥門電動裝置 控制箱電氣原理圖內部檢查及檢修 1、三相交流接觸器的檢查及檢修。檢查三相交流接觸器吸合、釋放...
上海湖泉電動執行器調試設置說明 1 、正確接通 380V AC 電源; 2 、通過遠程 / 就地設置按鈕選擇 LocPar ( 本地參數 ) 設置畫面,按下 ENTER 鍵...
一、正確選擇 閥門電動執行器 的依據 操作力矩: 操作力矩是選擇 閥門電動裝置 的最主要參數,電動執行器輸出力矩應為閥門操作最大力...
閥門電動執行機構 問題故障分析 防護等級低: 電裝配套的閥門專用電機為全封閉鼠籠式結構,短時斷續工作制(10min)自冷卻式。按 GB...