
硬密封蝶閥
閥門首頁 > 產品展示 > 蝶閥 > 硬密封蝶閥 > 






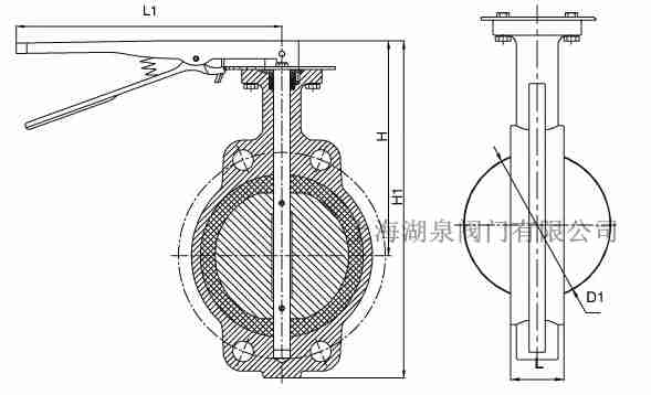
| 公稱通徑 |
結構長度 標準值 |
外形尺寸(參考值) | 連接尺寸(標準值) |
重量 (kg) |
|||||||
| H | H1 | A1 | B1 | PN0.6MPa | PN1.0MPa | ||||||
| 毫米 | 英寸 | L | D1 | Z-d | D1 | Z-d | |||||
| 50 | 2 | 43 | 112 | 350 | 180 | 200 | 110 | 4-14 | 125 | 4-18 | 11 |
| 65 | 21/2 | 46 | 115 | 370 | 180 | 200 | 130 | 4-14 | 145 | 4-18 | 12 |
| 80 | 3 | 49 | 120 | 380 | 180 | 200 | 150 | 4-18 | 160 | 8-18 | 14 |
| 100 | 4 | 56 | 138 | 420 | 180 | 200 | 170 | 4-18 | 180 | 8-18 | 16 |
| 125 | 5 | 64 | 164 | 460 | 180 | 200 | 200 | 8-18 | 210 | 8-18 | 26 |
| 150 | 6 | 70 | 175 | 555 | 270 | 280 | 225 | 8-18 | 240 | 8-22 | 28 |
| 200 | 8 | 71 | 208 | 605 | 270 | 280 | 280 | 8-18 | 295 | 8-22 | 44 |
| 250 | 10 | 76 | 243 | 680 | 270 | 280 | 335 | 12-18 | 350 | 12-22 | 68 |
| 300 | 12 | 83 | 283 | 800 | 380 | 420 | 395 | 12-22 | 400 | 12-22 | 85 |
| 350 | 14 | 92 | 310 | 835 | 380 | 420 | 445 | 12-22 | 460 | 16-22 |
121 |
上一篇:D343H多層次金屬硬密封蝶閥 / 下一篇:污水處理電動蝶閥d943h-10c dn800